製品リスト
- Universal Joints
- Other Spindle
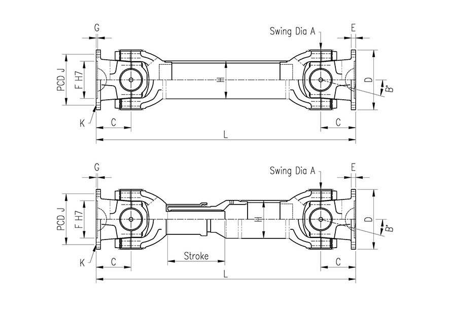
Fork Type
詳細情報
| F-Type A | Td (kgf.m) | Ts (kgf.m) | B | C | D | E | F | G | H | J | K | L min |
|---|---|---|---|---|---|---|---|---|---|---|---|---|
| 225 | 2,300 | 7,000 | 15 | 145 | 225 | 20 | 105 | 5 | 168 | 196 | 8-17 | 890 |
| 250 | 3,600 | 10,500 | 15 | 165 | 250 | 25 | 105 | 5 | 218 | 218 | 8-19 | 1,010 |
| 285 | 5,300 | 15,000 | 15 | 180 | 285 | 27 | 125 | 6 | 218 | 245 | 8-21 | 1,090 |
| 315 | 7,500 | 21,500 | 15 | 205 | 315 | 32 | 130 | 7 | 273 | 280 | 10-23 | 1,240 |
| 350 | 10,200 | 29,500 | 15 | 225 | 350 | 35 | 155 | 7 | 273 | 310 | 10-23 | 1,310 |
| 390 | 14,000 | 39,000 | 15 | 205 | 390 | 40 | 170 | 8 | 273 | 345 | 10-25 | 1,430 |
| 435 | 22,000 | 58,000 | 10 | 235 | 435 | 42 | 190 | 10 | 324 | 385 | 16-28 | 1,620 |
| 380 | 28,500 | 75,000 | 10 | 265 | 380 | 47 | 205 | 12 | 356 | 425 | 16-31 | 1,820 |
| 550 | 43,500 | 115,000 | 10 | 290 | 550 | 50 | 250 | 12 | 406 | 492 | 16-31 | 2,035 |