P사

실적사례

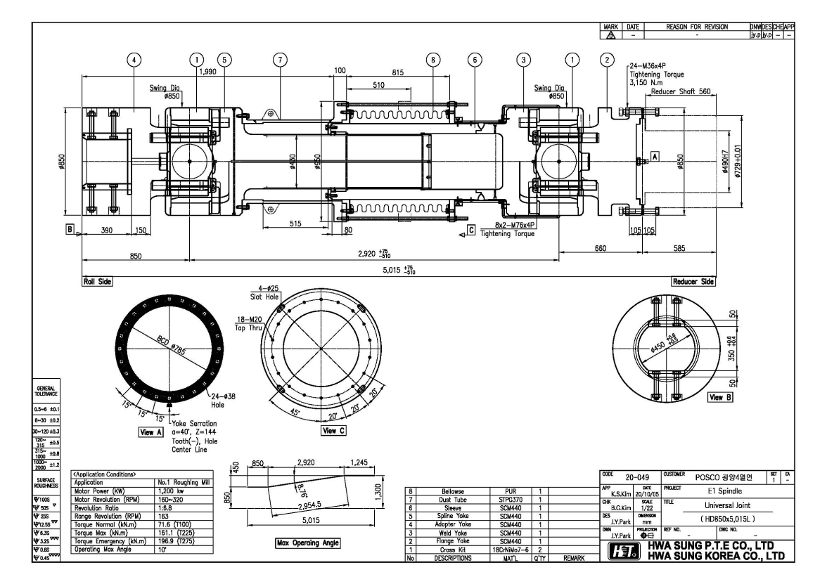
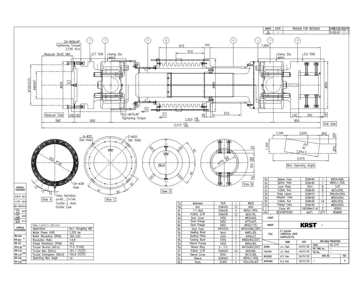
GY 4열연 E1
Spindle (HD850)

GY 4열연의 Rough Mill에 사용하는 Edger Stand는 Slab의 좌,우의 폭을 압연시켜주는 설비입니다.
그 중에 첫번째 폭압연을 시켜주는 E1 Spindle은 선단에 위치하기에 가장 큰 부하를 받고, 부하Torque가 높아, 외자설비 의존도가 100% 이였는데
2018년 국산화 개발을 하여 현재까지 Main Spindle로 사용하고 있습니다.

기대효과 : 외자납기 15개월, 국산화납기 4개월

Application
Condition

  • Swing Dia (mm) 850
  • Type Block Type
  • Motor (Kw) 1200
  • Rpm 160/320
  • Angle (도) 10