POSCO

Achievement Case

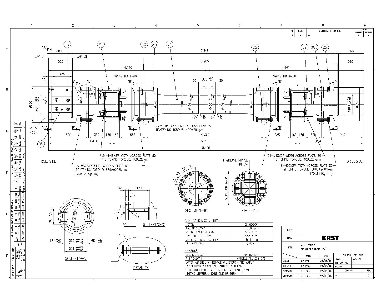
Pohang Steel Plate
BDM Spindle (HD780)

The BDM No.1 spindle in Pohang Steel Plate Division initially employed a spindle developed by Japan's Antum Corporation. However, the U-Joint supplied by Antum frequently experienced bolt breakages during assembly, resulting in insufficient strength to withstand the operational torque. Additionally, it failed to meet the increased pass frequency demands required by higher production during rolling processes.

To resolve these issues, the spindle’s structure was redesigned to accommodate the required torque, and the design was updated to a flange type, enabling easier spare part management. This effort culminated in the successful localization and development of the improved spindle design in 2015.

Application
Condition

  • Swing Dia (mm) 780
  • Type Block Type
  • Motor (Kw) 4000
  • Rpm 35/80
  • Angle (°) 6