POSCO

Achievement Case

Gwangyang Hot Rolling
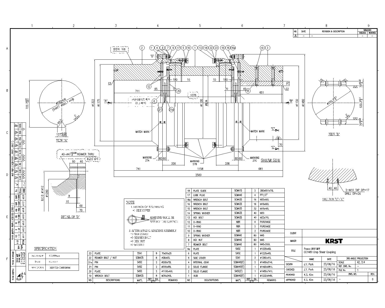
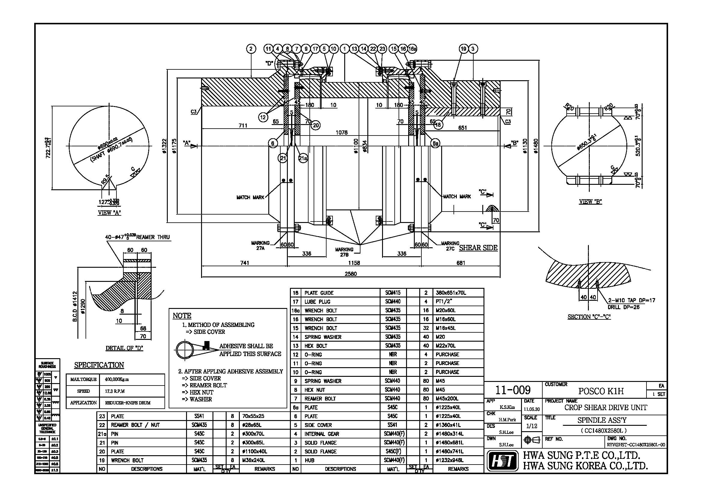
Crop Shear (CC1400)

The Crop Shear Knife Drive Unit is a system designed to cut the defective front sections of billets (rolled materials) to form coils, with the dual purpose of preventing accidents and enhancing operational efficiency. As this system requires immense force to cut billets, gears are commonly utilized instead of universal joints to accommodate the high-stress conditions.

Frequent wear and breakage of gear components necessitated consistent repairs and seamless supply. To address this, imported parts were reverse-engineered in 2011 to ensure compatibility, and the material and heat treatment of the gear teeth were improved to enhance wear resistance, facilitating domestic production and supply.

Application
Condition

  • Size 1480 mm
  • Max Torque (kgf.m) 550,000 kgf.m
  • Type Gear Coupling
  • RPM 17.3 rpm
  • GD2 15,500kg -㎡