POSCO

Achievement Case

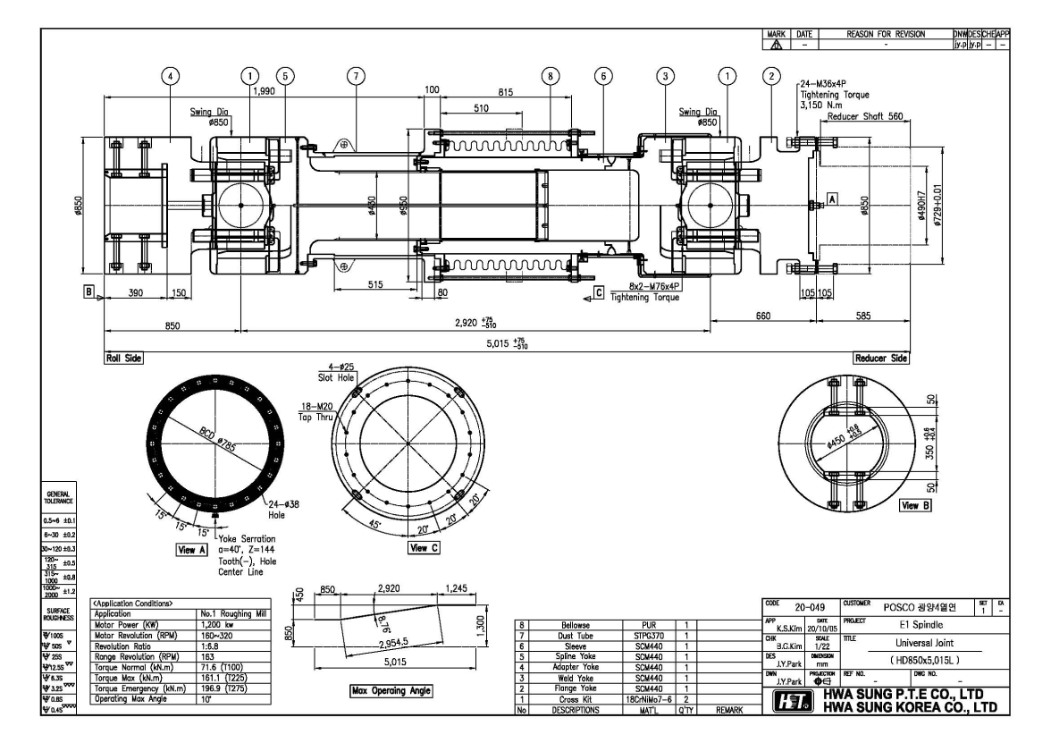
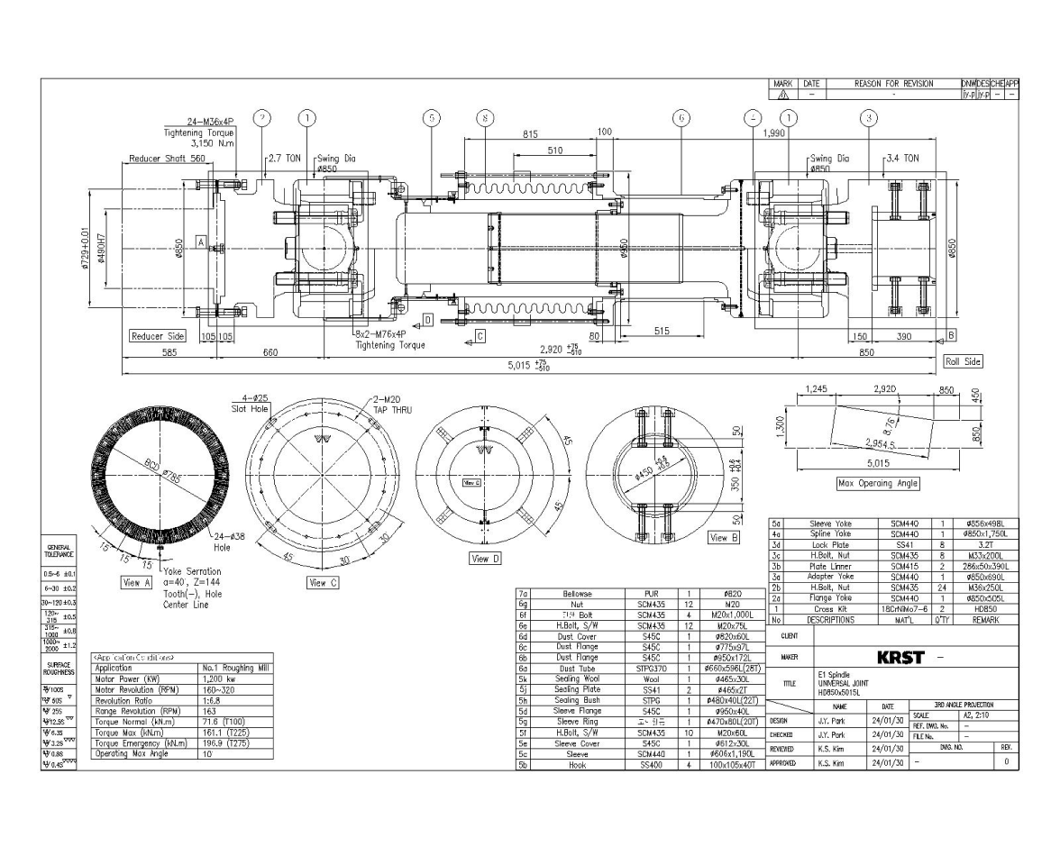
Gwangyang 4th Hot Rolling E1
Spindle (HD850)

The Edger Stand, used in the Rough Mill at POSCO Gwangyang 4th Hot Rolling, is essential for rolling the left and right widths of slabs. Among these, the E1 Spindle, which is responsible for the first width rolling, is positioned at the front and experiences the highest load. Due to the high torque, it was previously entirely reliant on imported equipment. However, in 2018, it was successfully domestically developed by KRST and continues to serve as the main spindle to this day.

Expected Benefits: Import Delivery Time: 15 months / Domestic Delivery Time: 4 months

Application
Condition

  • Swing Dia (mm) 850
  • Type Block Type
  • Motor (Kw) 1200
  • Rpm 160/320
  • Angle (°) 10